تنظيم التوتر
تنظيم توتر
Voltage regulation -
هاشم ورقوزق
المنظمات الكهربائية - الميكانيكية
منظمات التوتر المتناوب ذات الملف الدائر
مثبتات (مُقِرّات) التوتر المتناوب
مثبتات (مُقرّات) التوتر المستمر أو المنظمات الإلكترونية
يستخدم تنظيم التوتر أو الڤولطية Voltage regulation للأحمال ذات التوتر المتناوب الجيبي وذات التوتر المستمر. ففي هندسة الشبكات الكهربائية ذات التوتر المتناوب يعبر عن تغير قيمة التوتر الكهربائي بين الإرسال والاستقبال لأي مكون من مكونات الشبكة الكهربائية. ويُعنى بتثبيت توتر الحمل مهما تغير توتر الدخل أو تغير الحمل. يُعمل في محطات التوليد الكهربائية على تنظيم توتر خرج المولد التزامني باستخدام منظمات التوتر الخاصة بالمولدات، وتُنصب في محطات التحويل منظمات (مثبتات) توتر متعددة المرابط خاصة بالمحولات الكهربائية، وتدخل منظمات التوتر التسلسلية والتفرعية على خطوط نقل الطاقة الكهربائية للحفاظ على توتر استقبال مناسب. وهناك منظمات التوتر الإلكترونية في وحدات التغذية المستمرة للحواسيب، ومحطات الإرسال اللاسلكي، والتجهيزات الطبية الدقيقة، والأجهزة الحربية والبحرية وغيرها. وقد تنوعت بنية هذه المنظِّمات في السنوات الأخيرة الماضية وتطورت تبعاً لتطور العناصر الإلكترونية وتطور تصنيع المواد الأساسية الداخلة في بنيتها، والظروف الحرارية المحيطة بها. ويمكن عموماً تصنيف منظمات التوتر ضمن المحاور التالية:
1. المنظمات الكهربائية - الميكانيكية electromechanical regulators.
2. منظمات التوتر المتناوب ذات الملف الدائر coil –rotation AC voltage regulation.
3. مُقِرّات (مثبتات) التوتر المتناوب AC voltage stabilizers.
4. مُقرّات التوتر المستمر أو المنظمات الإلكترونيةelectronic voltage regulators (منظمات تسلسلية خطية linear series reg– منظمات ذات التبديلlinear switching reg – منظمات ثيرستورية thyristor or SCR regulator .
يتغير التوتر الصادر عن منابع التوتر المتناوب أو المستمر زيادة أو نقصاناً تبعاً لشدة التيار المُستجر والطاقة المستجرة ولطبيعة الشبكة الكهربائية التي يرتبط بها المستثمر، وبحسب طبيعة الأحمال ذاتها (أفران تحريضية أو أحمال ذات فترات إقلاع متكرر مفاجئ). تسبب هذه التغيرات في توتر التغذية انخفاض مردود التجهيزات ونقص عمرها التقديري، وتسبب أحياناً حدوث أخطاء منطقية digital errorsفي الذواكر ومكونات الحواسيب، وهذا ما يفرض على منظمات التوتر المتناوب والمستمر تعويض هبوط التوتر وتخفيض ارتفاعه للوصول إلى توتر تغذية ثابت ومستقر.
توصف معايير جودة منظمات التوتر بثلاثة عوامل:
1- تنظيم توتر الخط line regulation: هو معيار لمقدرة المنظم على المحافظة على تغيرات توتر الخرج في حدود مجال معين لتغيرات توتر الدخل. مثلاً تغيير ±2% في الخرج من أجل تغير في توتر الدخل يراوح بين 90 و260 ڤولطاً، أو تغيّر توتر الخرج بنسبة 13 ملي ڤولط لكل ڤولط تغيير في الدخل.
2- تنظيم الحمل load regulation: هو المحافظة على تغيرات محددة في الخرج من أجل تغيرات محددة في تيار الحمل، فمثلاً المحافظة على تغيرات بين 15-10ميلي ڤولط من أجل تيارات حمل تراوح بين 5 ميلي أمبير و1.4 أمبيرعند درجة حرارة محددة.
3- التنظيم الحراري temperature regulation: هو معيار لمقدرة المنظم الحفاظ على توتر خرج ثابت مهما تغيرت درجة حرارة المكونات الإلكترونية في المنظومة؛ ولا سيما عناصر أنصاف النواقل.
المنظمات الكهربائية - الميكانيكية
تعتمد هذه المنظمات على محاولة تثبيت توتر الحمل الممثل بتوتر مكثِّف يُشحن من منبع توتر متغير القيمة. يستخدم لهذه الغاية ملف تحريض موصول على التفرع مع المنبع والمكثف عبر قاطع (الشكل 1). يتم فصل القاطع ووصله عن طريق قوة الجذب المغنطيسية المتولدة في الملف. يزود القاطع بنابض يعاكس قوة الشد التي يولدها الحقل المغنطيسي للملف. ويكون القاطع مغلقاً في البداية بسبب قوة شد النابض فيبدأ التيار بالمرور في الملف ويزداد شدة حتى تتمكن قوة الشد من فتح القاطع. ويكون التوتر خلال تلك الفترة مطبقاً على المكثف فيشحنه، يحافظ المكثف على التوتر الذي وصل إليه عند فتح القاطع، ويبدأ بالهبوط بعد فترة، وعند وصول هذا التوتر إلى قيمة محددة تنخفض قوة الشد ويعاد وصل القاطع ليشحن المكثف من جديد حتى التوتر المراد تثبيته، وبذلك يتم تنظيم التوتر بقوة كهربائية-ميكانيكية مباشرة.
|
| الشكل (1) تنظيم التوتر المتناوب كهربائياً-ميكانيكياً باعتماد شحن مكثف وتفريغه. |
منظمات التوتر المتناوب ذات الملف الدائر
يعود استعمال هذا النوع من المنظمات إلى عام 1920، ويعتمد في عمله على الفيض (التدفق) المتبادل بين ملفين أحدهما ثابت والثاني متحرك (الشكل 2). يدور الملف المتحرك حول محورٍ موازٍ للملف الأول فتتعادل القوى المحركة المغنطيسية عندما يكون الملف المتحرك عمودياً على الملف الثابت، ولا يتأثر توتر الخرج. ولدى دوران الملف حول محوره تتحرض قوة محركة كهربائية فيه، وتضاف أو تطرح من توتر الملف الثابت، ومن ثمّ يتم تنظيم التوتر. وكلما كان التحكم بتدوير الملف محكماً والترابط موثوقاً يتحسن أداء المنظم.
|
|
الشكل (2) تنظيم التوتر باستخدام الفيض (التوافق) المتبادل بين ملفين. |
مثبتات (مُقِرّات) التوتر المتناوب
يطلق على هذا النوع من المنظمات اسم مثبتات الجهد voltage stabilizers، وتستخدم بكثرة في تنظيم توتر محولات الاستطاعة power transformers وخطوط نقل الطاقة الكهربائية. وفيما يلي آلية عملها:
أ- تنظيم التوتر في محطات التحويل:
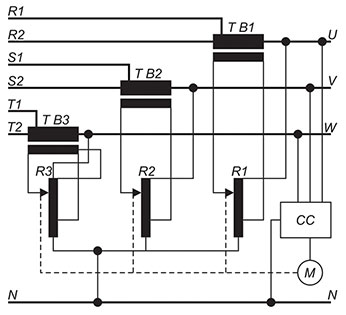
تعمل محطة التحويل الكهربائية على رفع التوتر الناتج من المولدات التزامنية synchronous generators ودفعه إلى خطوط نقل الطاقة الكهربائية العالية التوتر. وهذه المحولات الثلاثية الطور هي المكون الرئيس للمحطات، إضافة إلى عناصر الفصل والوصل وعناصر تنظيم التوتر. ينظم توتر محولات الاستطاعة باستخدام مثبتات توتر كهربائية-ميكانيكية تعمل على زيادة عدد اللفات الرئيسية في المحول أو إنقاصها لرفع توتر الخرج أو خفضه تبعاً لقياسات سوية التوتر؛ أي إنها تعمل على تنظيم توتر الإرسال باستمرار استناداً إلى الفرق بينه وبين القوة المحركة الكهربائية المتولدة في الملف الثانوي للمحول.
يمكن تعويض هبوط الجهد الناتج من مرور التيار في الملف الثانوي بسبب ممانعة المحول؛ برفع عدد لفات الملف الثانوي عن طريق مبدل كهربائي-ميكانيكي tapchanger أو مبدل ذي قواطع الحالة الصلبةsolid-state switching وملفات إضافية على نواة المحول. وهكذا يُحصل على منظم للتوتر يرفع توتر الخرج ويثبه. يوضح الشكل (3) بنية المنظم وآلية إضافة الملفات.
يمكن في هذه المنظمات -والتي تعمل تحت الحمل- إضافة عدد اللفات أو إنقاصه باستخدام آلية تبديل كهربائية-ميكانيكية معقدة تتحمل تيارات الحمل خلال فترة التبديل، حيث يتم إدخال مقاومات أو ملفات إضافية لتحقيق هذا التبديل تحت الحمل.
|
|
(أ) مثبت التوتر المتعدد المرابط – (ب) مبدأ التبديل وزيادة عدد اللفات. الشكل (3)
|
توضح المعادلة (1) علاقة تنظيم توتر المحول عند تشغيله بعامل استطاعة واحدي؛ متأخر أو متقدم وأثر ممانعة المحول وتيار الحمل على تنظيم التوتر.
حيث: VR = التوتر المنظَّم، E2= التوتر عند اللاحمل، V2= التوتر عند الحمل.
ب- تنظيم التوتر في خطوط نقل الطاقة:
إذا قيس التوتر عند اللاحمل Vni عند أي نقطة من خط نقل طاقة كهربائية ثم قيس في النقطة ذاتها عند الحمل الكامل للخط Vfi؛ يمكن عندئذ التعبير عن تنظيم التوتر VRبأنه الفرق بين توتر اللاحمل وتوتر الحمل الكامل مقسوماً على توتر الحمل الكامل. وكلما صغرت هذه القيمة كانت جودة النقل أفضل. ومن المعروف أنه لدى نقل الطاقة على الخطوط الهوائية أو الكبلات الأرضية وتوزيعها ينخفض توتر الاستقبال ويزداد هبوط التوتر كلما ازداد تيار الخط وبعدت مسافة النقل (وفقاً لقانون كيرشوف Kirchhoff)؛ بغض النظر عن سوية توتر النقل سواء كانت 400 ڤولط أم 20 كيلو ڤولط أم 66 كيلو ڤولط. ولكل شبكة هبوط توتر مسموح به أو تنظيم توتر مسموح به، ويراوح عادة بين 1% و5%، وللمحافظة على تنظيم التوتر المسموح به تستخدم المنظومات التالية:
· تركيب مبدل توتر تحت الحمل لمحولات الاستطاعة في محطات التحويل.
· تركيب مثبتات توتر مع ملفات تحريضية أو محولات ذاتية بمآخذ إضافية.
· تركيب مكثفات استطاعة بقصد حذف الاستطاعة الردّية المنقولة على الخطوط وتخفيض تيار النقل.
تعمل منظمات التوتر المركَّبة على خطوط نقل الطاقة الكهربائية وفق مبدأ حقن توترات متناوبة باتجاه أمامي أو عكسي عن طريق ملفات توتر تسلسلية وتفرعية، وهي تعمل عمل محول رفع أو خفض للتوتر المتناوب buck –boost transformer. ويوضح الشكل (4) نموذجاً لعملية إضافة ملفات تسلسلية وتنظيم توتر الحقن، وتركب في هذه المنظمات محركات خاصة لمحاولة تنظيم قيمة التوتر المراد حقنه على التسلسل في الخط، وهو يعمل على تحريك منزلقة لتغيير قيمة المقاومات التسلسلية في الملفات الثانوية التي تتحكم في مقدار تشبع الملفات الإضافية أو عدمه.
![]() |
|
الشكل (4) نموذج إضافة ملفات تسلسلية وتنظيم توتر الحقن.
|
يجري حديثاً تنظيم التوتر في محطات التوليد للطاقات المتجددة الشمسية والريحية باستخدام مجموعات تقويم ثيرستورية AC-DC Converter، وقلاّبات (محوّلات) توتر وتيار voltage & current inverters ، ومقطعات ثيرستورية أو ترانزستورية بجميع أنواعها choppers. ويبين الشكل (5) كيفية تحويل التوتر المستمر الناتج من الخلايا الشمسية إلى توتر متناوب منظم؛ وحقن هذا في الشبكة العامة المتناوبة.
![]() |
| الشكل (5) تحويل توتر الخلايا الشمسية المستمر إلى توتر متناوب وتنظيمه وحقنه في الشبكة. |
تسمى أيضاً محولات الرنين الحديدي ferro- resonant transformers . عرف المحول ذو التوتر الثابت constant-voltage transformer عملياً منذ عام 1940، ويستخدم لضمان وثوقية استمرار التغذية مع تنظيم توتر حمل دائم. السيئة الرئيسية لمثل هذه المنظمات هي أن موجة توتر الخرج فيها ليست جيبية بل ذات شكل مربع مسطح القمة، وهي غير مناسبة عموماً لدخل مجموعات التقويم. يتأثر هذا النظام كثيراً بتغيّر تردد المنبع وتغيّر الحمل الزائد. يوضح الشكل (6) مخطط هذا التشكيل لمنظم جهد. يطبق توتر الدخل على ملفL1 خواصّه خطية (لا يتشبع)، موصول على التسلسل مع مكثف C1؛ مع ربط محول أولي قابل للتشبع على طرفي المكثف. وبسبب الرنين بين المكثف والملف يكون توتر المكثف دائماً أكبر من توتر الدخل. وعندما يرتفع توتر المكثف إلى قيمة محددة يصل المحول Tإلى حد الإشباع وينتقل من ممانعة دخل عالية إلى ممانعة منخفضة جداً، مما يمنع زيادة ارتفاع التوتر على المكثف والمحافظة على توتر خرج ثابت.
يعطى تنظيم توتر الخرج للمحول ذي توتر الخرج الثابت وفق المعادلة (2):
حيث: DBتغير كثافة الفيض، Ac مساحة مقطع نواة المحول، F تردد المنبع، Np عدد لفات المحول الابتدائية.
ويكون تنظيم التوتر تابعاً لشكل منحني بطاء (مغنطة) حديد المحول المستخدم، ويجب أن يكون منحني الخواص ضيقاً وقائماً. تعتمد كثافة الفيض المغنطيسي B على نوعية المواد المغنطيسية المستخدمة، ولكل شركة صانعة مكوناتها وتجربتها في تحديد فترة الإشباع ومجال تنظيم التوتر.
![]() |
|
الشكل (6).
|
مثبتات (مقرّات) التوتر المستمر أوالمنظمات الإلكترونية
يمكن تنظيم التوتر المستمر باعتماد مكونات تحوِّل التوتر المستمر إلى توتر مستمر متحكم فيه، أو تحوِّل التوتر المتناوب إلى توتر مستمر وتنظمه. وتتكون مثبتات التوتر المستمر من عدة عناصر كهربائية غير فعّالة، ومن عناصر إلكترونية فعّالة (مكثفات، محولات، جسور تقويم، أنصاف نواقل، ترانزستور، ثيرستور) ومن دارات إلكترونية متكاملةIC قد تكون بسيطة؛ أو غاية في التعقيد، وذلك تبعاً لمتطلبات الحمل والدقة المطلوبة والمردود والاستجابة. وتستخدم مثبتات التوتر غالباً التغذية الراجعة لتنظيم التوتر، وهي تعتمد على مقارنة إشارة توتر الخرج الحقيقية مع إشارة توتر أساس مرجعية، ويضخَّم الخطأ بين الإشارتين ويعاد تطبيقه على الدارة للتحكم في تنظيم التوتر، وجعل الخطأ بينهما أصغر ما يمكن. يبين الشكل (7) مثبت توتر مستمر بسيط باستخدام عناصر إلكترونية مجمعة يتوفر العديد منها في الصناعة، وتعمل عند توترات محددة ومختلفة طبقاً لنوع الحمل واحتياجاته.
![]() |
|
الشكل (7) منظم توتر مستمر باستخدام عناصر إلكترونية.
|
يمكن تنظيم توتر الحمل المستمر القادم من منبع توتر مستمر والتحكم فيه باستخدام منظمات توتر خطية linear voltage regulators خافضة للتوتر؛ مثل المقطعات التسلسليةbuck switching regulators ، يجري تنظيم توتر الخرج فيها تبعاً لعامل دور الخدمة duty cycle الذي يحدد فترة التوصيل للقواطع الإلكترونية المستخدمة. يكون توتر الخرج Vo في هذا النوع من المنظمات دائماً أقل من توتر الدخل Vi ويعطى بالعلاقة (3):
حيث: D عامل الخدمة.
ويكون تردد التقطيع مرتفعاً، وقد يصل إلى 10-40 كيلو هرتز. ويستخدم هذا النظام في تنظيم شحن المدخرات وتغذية الأحمال من مصادر الطاقة المتجددة. ويوضح الشكل (8) نموذجاً لدارة مقطِّع تسلسلي يتم فيه فصل القاطع ووصله بتردد مرتفع بحيث يعمل على تقطيع توتر الدخل المستمر إلى شرائح، ويكون متوسط توتر الخرج الناتج أدنى من توتر الدخل.
![]() |
|
الشكل (8) بنية المقطع التسلسلي الخافض للتوتر.
|
يمكن أيضاً استخدام منظّمات خطية رافعة للتوتر بحيث يكون توتر الخرج Vo دائماً أكبر من توتر الدخل Vi، ويعطى توتر الخرج بالعلاقة (4):
يسمى المبدل المستخدم لهذه الغاية "المقطِّع الرافع للتوتر" boost converter. ويتم التحكم بقيمة توتر الخرج عن طريق التحكم بعامل الدور للمقطع. ويمكِّن التصميم الجيد للملف الخانق L المرتبط على التسلسل مع الحمل من تخزين القدرة الكهربائية، وعند فتح القاطع الإلكتروني يضاف توتر الملف إلى توتر الدخل للحصول على توتر خرج أكبر بعدة مرات من توتر الدخل؛ مع إمكان تنظيم هذا التوتر. يمكن في هذه المنظومات استخدام الثيرستور كمقطِّع، كما يمكن استخدام الترانزستور من نوع MOS-F أوIGBT عنصراً فعالاً في تنظيم التوتر ورفعه باستمرار( الشكل 9).
![]() |
| الشكل (9) بنية المقطع الرافع للتوتر. |
تسمح عملية استخدام المبدلات الإلكترونية بتحقيق دارات قادرة على عكس قطبية توتر الخرج بالنسبة إلى توتر الدخل؛ مع المحافظة على توتر خرج ثابت، ويوضح الشكل (10) بنية مثل هذه المنظِّمات، وتعطى العلاقة بين توتر الخرج والدخل بالعلاقة (5):
![]() |
|
الشكل (10) بنية المنظِّم الإلكتروني القادر على عكس قطبية توتر الخرج وتنظيمه.
|
تسمى جميع المنظِّمات السابقة "المقطِّعات الإلكترونية" switching regulators ، وهي قادرة على تنظيم التوتر المستمر انطلاقاً من توتر مستمر متغير القيمة، وعند سويات توتر متفاوتة (5 -1000ڤولط أو أكبر)، كما أنها تتحمل تيار حمل كبير(1-2000 أمبير)، لذا فإنها تستخدم لكل الأحمال كبيرة كانت أومتوسطة .
يعمل النوع الثاني من هذه المنظمات على تنظيم توتر الحمل المستمر بدءاً من منبع توتر متناوب، حيث يتم تقويم التوتر المتناوب باستخدام جسور التقويم المقودة (ثيرستورية) أو غير المقودة (ثنائيات من الديود) أو تشكيل جسور مختلطة (نصف مقودة)، وبإضافة عناصر كهربائية غير فعالة ترشح التوتر المقوم. كذلك يمكن إضافة عناصر إلكترونية IC لتحديد قيمة التوتر المستمر المطلوب تنظيمة. يوضح الشكل (11) دارة مبسطة لمثل هذه المنظِّمات، وتحتوي على محول عزل؛ وجسر تقويم لتحويل التوتر المتناوب إلى توتر مستمر؛ ومكثفات تنعيم وترشيح؛ وعناصر إلكترونية ICتثبت التوتر المراد، وتسمى منظِّمات التوتر الخطية. وهي على أنواع وتوترات متفاوتة، وتستخدم لشحن المدخرات في أجهزة الاتصال المحمولة وغيرها. وقد يكون توتر الخرج منخفضاً في حدود القيم 5 أو 15 أو 24 أو220ڤولطاً، وتيارات تبدأ من الملي أمبير، وتصل إلى تيارات عالية تستخدم في التجهيزات العسكرية والطبية والهندسية الكبيرة الاستطاعة. يحمي هذا النوع من المنظِّمات العناصر الإلكترونية المكونة له من تغيرات توتر الدخل والحالات العابرة في الشبكة، وقد تفصل الشبكة المغذية في الحالات الطارئة.
![]() |
|
الشكل (11) البنية العامة لمنظم توتر مستمر انطلاقاً من منبع توتر متناوب.
|
|
مراجع للاستزادة: - A. AlMadhoun, Mastering Electronic Components: Discover Resistors, Capacitors, Transistors, and More with Step by Step Guides and Applications, Eliva Press, 2025. - R. Kent, The Basics Of Testing Electronic Components: A Complete Guide To Test Circuits, Capacitor, Relay, Transistor, Resistor, Diode And Voltage Regulator, Independently published, 2023. - K. Lal Kishore, Solid State Transformer Revolutionizing The Power Grid for Power Quality and Energy Efficiency, One Billion Knowledgeable, 2022. - R. Manglik, Electronics Mechanic (Theory), EduGorilla Publication, 2024. - A.Rameshbabu, C. Bharatiraja, T. A. Raghavendiran, Optimal Voltage Regulation Of Three Phase Interleaved Boost Converter: PI and Fuzzy Controller, LAP LAMBERT Academic Publishing, 2020. - T. Gönen, Chee-Wooi Ten, A. Mehrizi-Sani, Electric Power Distribution Engineering, CRC Press, 2024.
|
- التصنيف : كهرباء وحاسوب - النوع : كهرباء وحاسوب - المجلد : المجلد العاشر، طبعة 2025، دمشق مشاركة :







